Hello, welcome to Shunhai Technology Company!
| 0755-28100016 EN
Company News Industry News Product news Encyclopedia of Electronic Components Technical Info Answer
Rapid sizing

SLIC Interface Protection Solution - Shuokai Electronics

Date:2025-12-12 Viewed:11

Application Background
Global climate warming, increasing thunderstorm weather
Traditional semiconductor protection solutions cannot achieve external programming

Scheme description and precautions
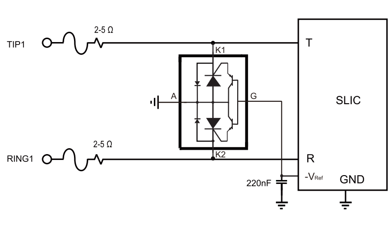
Adding two gate controlled transistor trigger circuits on the basis of traditional semiconductor devices
When a common mode forward surge occurs, the diode conducts in the forward direction to achieve low voltage
When a common mode negative surge occurs, the gate controlled transistor conducts, and the semiconductor transistor conducts
To ensure long-distance transmission, the maximum reference voltage can reach -170V
Can withstand 10/700-5/320 μ s combined wave of 40A

Solution Application
PBX user level switch
VOIP mobile phone
POTS traditional telephone

protection circuit diagram

product appearance

Product Specifications

Copyright © Shenzhen Shunhai Technology Co., Ltd. all right reserved 粤ICP备15069920号  
Baidu
map