Hello, welcome to Shunhai Technology Company!
| 0755-28100016 EN
Company News Industry News Product news Encyclopedia of Electronic Components Technical Info Answer
Rapid sizing

Resistance series POE protection solution - Shuokai Electronics

Date:2025-12-11 Viewed:10

Application Background
Climate warming leads to an increase in thunderstorms
POE power supply and signal coexist, thus increasing the difficulty of protection

Scheme description and precautions
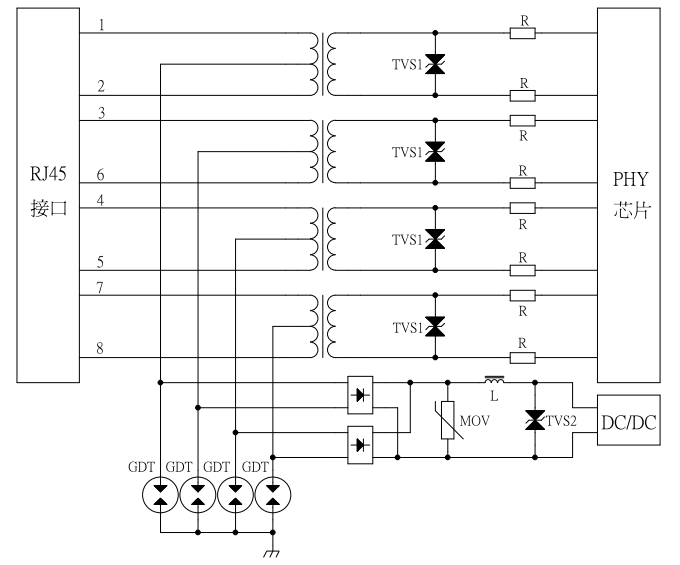
This scheme adopts GDT to perform common mode (eight wire) surge protection at the front end of the transformer
The rear stage of the network transformer uses TVS1 with small volume and low junction capacitance to absorb differential mode energy, TV5 has fast response time, and also has electrostatic protection function
This POE port solution complies with the 802.11 electrical standard
This POE port solution meets surge testing standards such as IEC61000-4-5 and GB/T17626.5
This POE port solution meets static electricity testing standards such as IEC61000-4-2 and GB/T17626.2
Can pass surge tests of 10/700 μ S-5/320 μ S and 1.2/50 μ S-8/20 μ 5

Solution application
POE power supply device
POE separator
POE connector
AP

protection circuit diagram

product appearance

Product Specifications

Copyright © Shenzhen Shunhai Technology Co., Ltd. all right reserved 粤ICP备15069920号  
Baidu
map